PHILANDE > 감속기

본문 바로가기

사이트 로고

감속기

HOME > 제품 소개 > 감속기
감속기

본문

  • PHILANDE
  •  PB,PE,PBR,PER
  •  PHILANDE(중국)
  •  경제적이고 정밀한 보급형 감속기


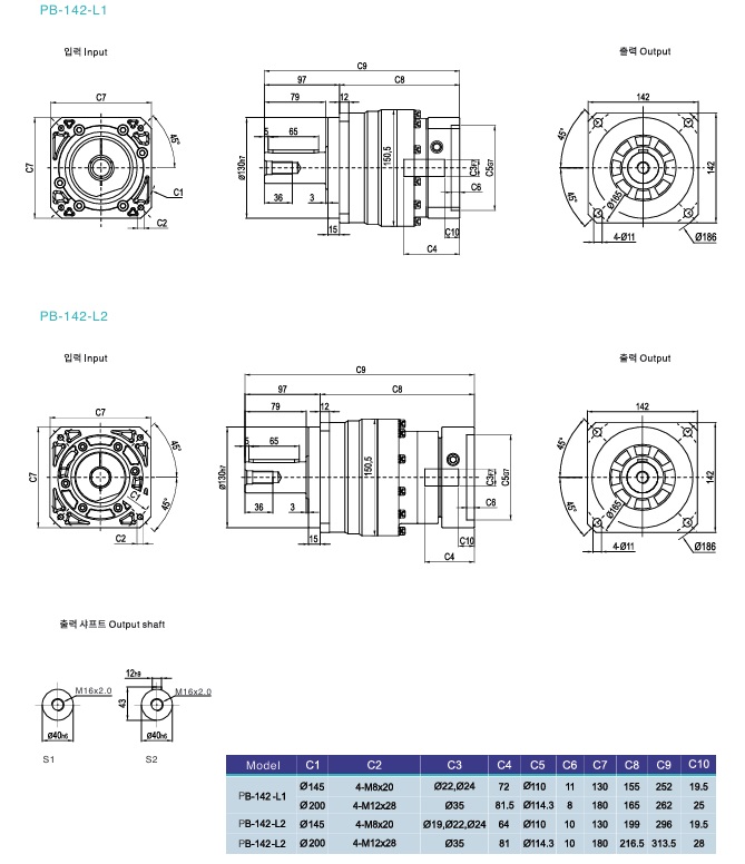
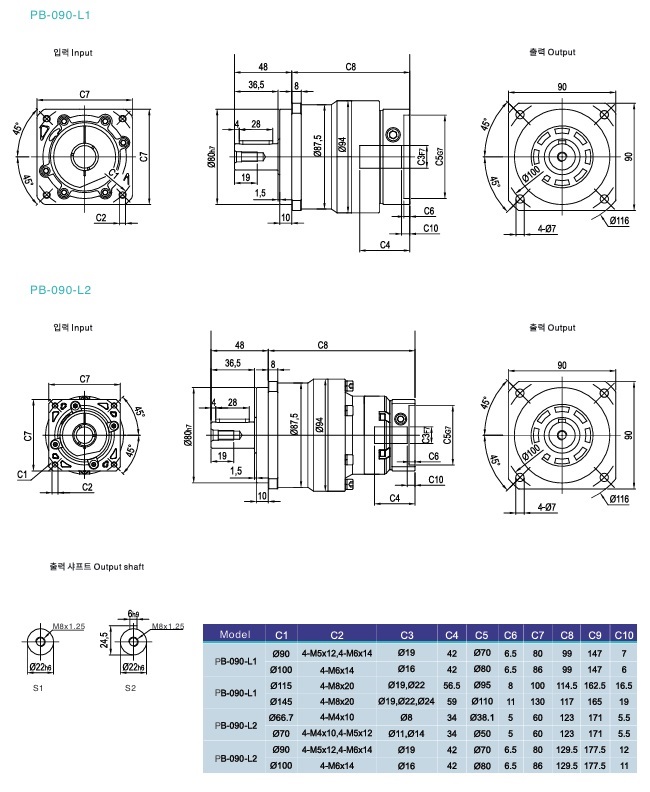
경제적이고 정밀한 보급형 감속기입니다. 프레스등에도 적용되는 내구성이 좋은 감속기입니다.

 

PB시리즈는 단납기 대응가능하며 나머지 제품들은 납기가 4~6주정도 됩니다.(42사이즈는 향후 수입예정.)​

 

문의사항은 070-7635-7550 으로 연락주세요.

 1cc236432010a9d7d7a63a7afb69cbbe_1737101 1cc236432010a9d7d7a63a7afb69cbbe_1737101 

 1cc236432010a9d7d7a63a7afb69cbbe_1737101 1cc236432010a9d7d7a63a7afb69cbbe_1737101
1cc236432010a9d7d7a63a7afb69cbbe_1737101 1cc236432010a9d7d7a63a7afb69cbbe_1737102
1cc236432010a9d7d7a63a7afb69cbbe_1737102 

댓글목록

등록된 댓글이 없습니다.

경기도 시흥시 수풀안길 9-36 케이엠텍 지식산업센터 601호ㅣTEL : 070-7635-7550ㅣFAX : 0303-3440-4677ㅣE-mail : youngtech001@gmail.com
결제 계좌번호 : IBK기업은행 185-126920-01-019 영테크 ㅣ상호명 : 영테크 (YOUNG TECH)ㅣ대표자 : 심영찬ㅣ사업자등록번호 : 138-12-70745
관리자로그인 메이크24 바로가기